My Projects

2dincompressiblefluidsimulationengine

2D Incompressible Fluid Simulation Engine

3draytracing

3D Ray Tracing

kriakv260camerastream

Kria KV260 Camera Stream

ctoriscvcompiler

C to RISC-V Compiler

genx320stm32f746gdisco

GenX320 STM32F746G DISCO

tinyalu

Tiny ALU

fpgadvsgestureclassifier

FPGA DVS Gesture Classifier

jetsonorinnanorag

Jetson Orin Nano RAG

tensorrtplayground

TensorRT Playground

jetsonorinnanolocalgpt

Jetson Orin Nano Local GPT

cudamicrobench

CUDA Microbench

ngspicesimulations

Ngspice Simulations

mediapipegui

MediaPipe GUI

fpgariscv5stagepipelinedprocessor

FPGA RISC-V 5 Stage Pipelined Processor

dwscnnaudioprocessing

Depthwise Separable Convolutional Neural Network Audio Processing

ultrawidebandremotelocksystem

Ultra-Wideband Remote Lock System

fpgaimageprocessing

FPGA Image Processing

fpga2dconvolution

FPGA 2D Convolution

uartaxisocwithcocotbverification

UART-AXI SoC with Cocotb Verification

rgb2grayscale

RGB to Grayscale

clockdomaincrossingfifo

Clock Domain Crossing FIFO

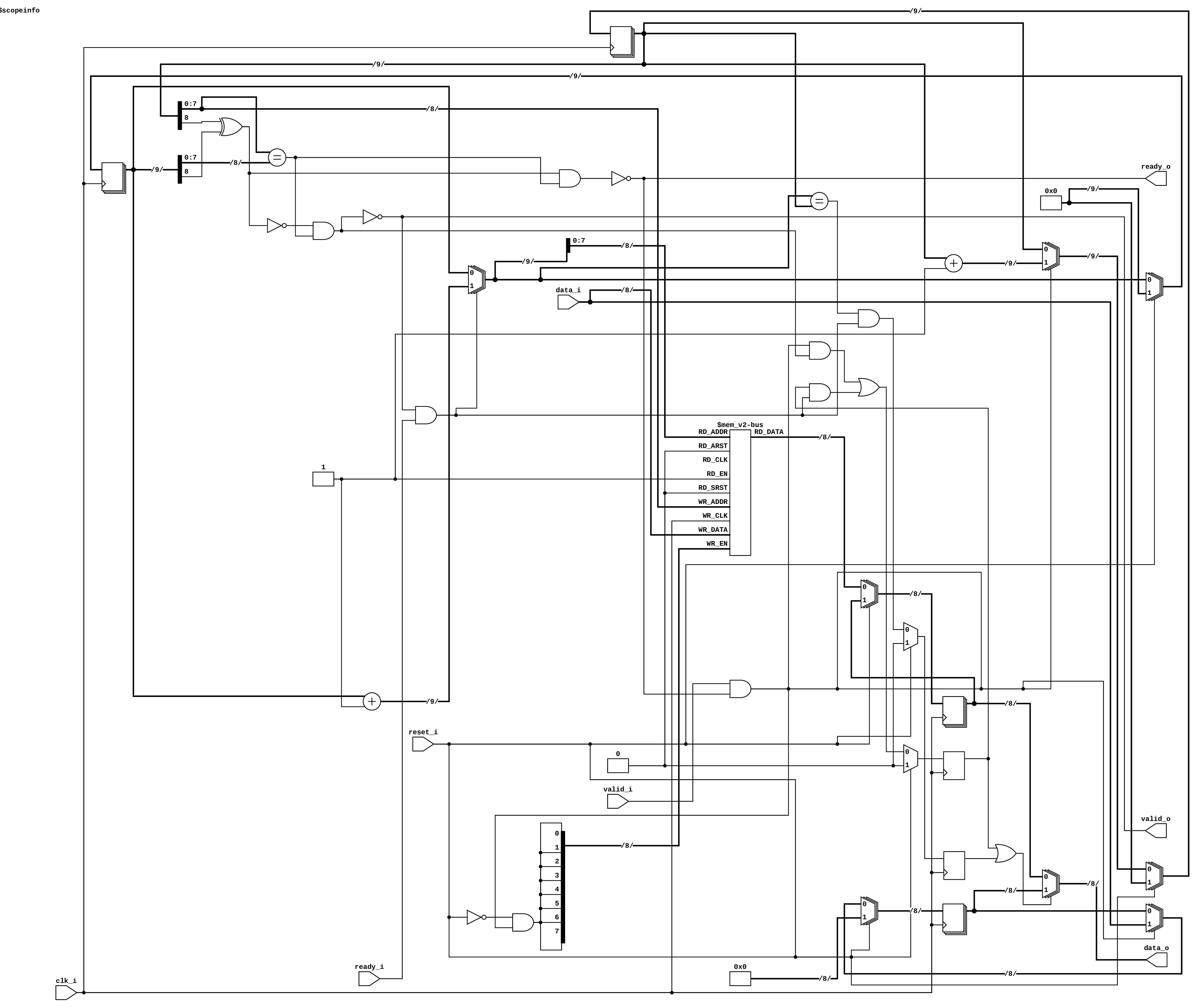
memoryverification

Memory Verification

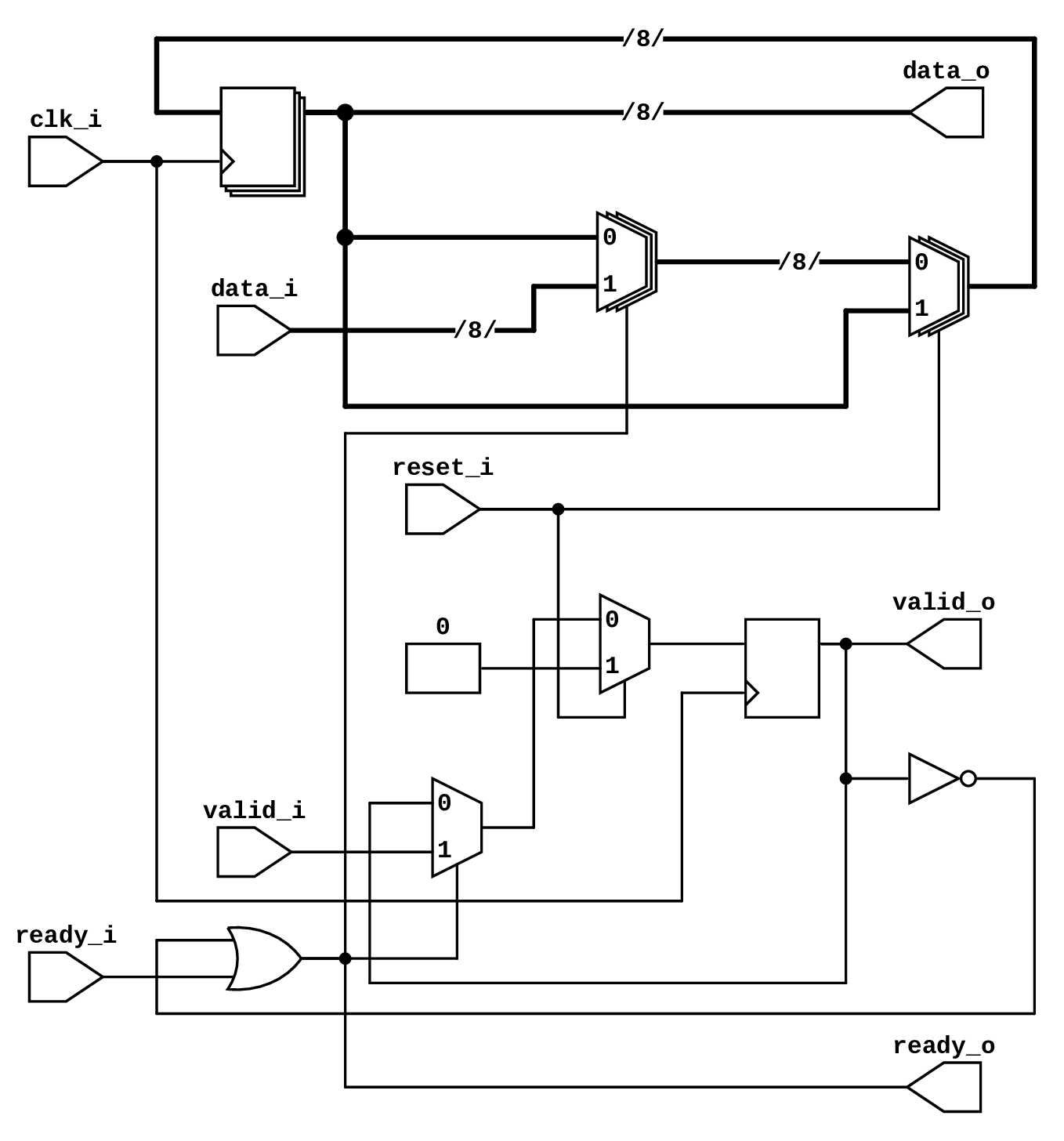
fifoverification

FIFO Verification

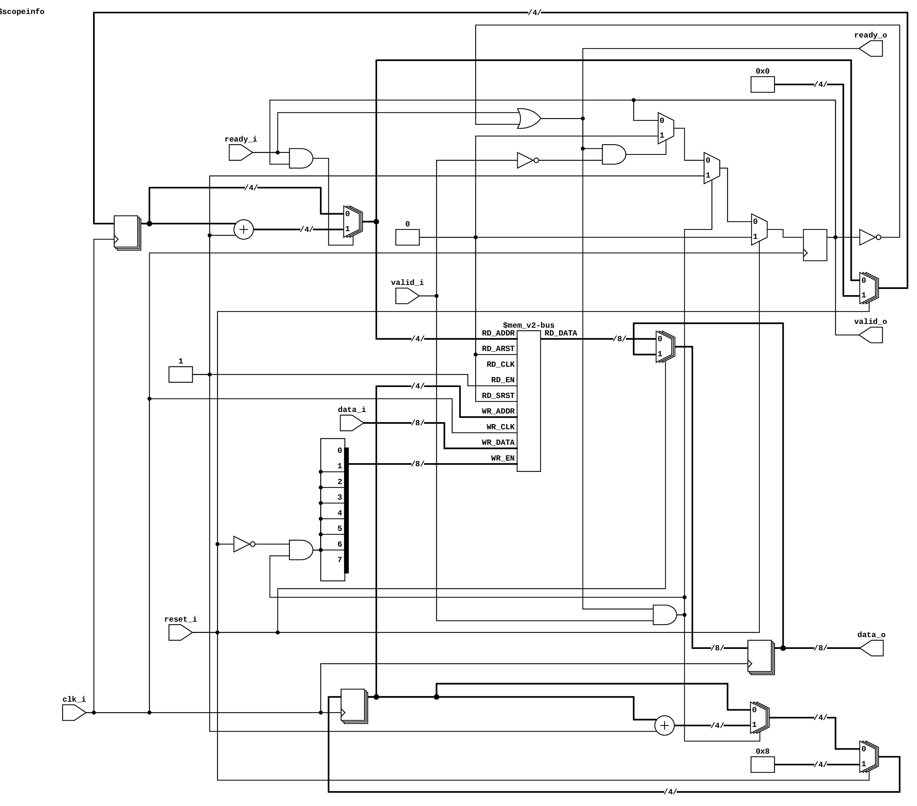
sequentiallogicverification

Sequential Logic Verification

iotweatherstation

IoT Weather Station

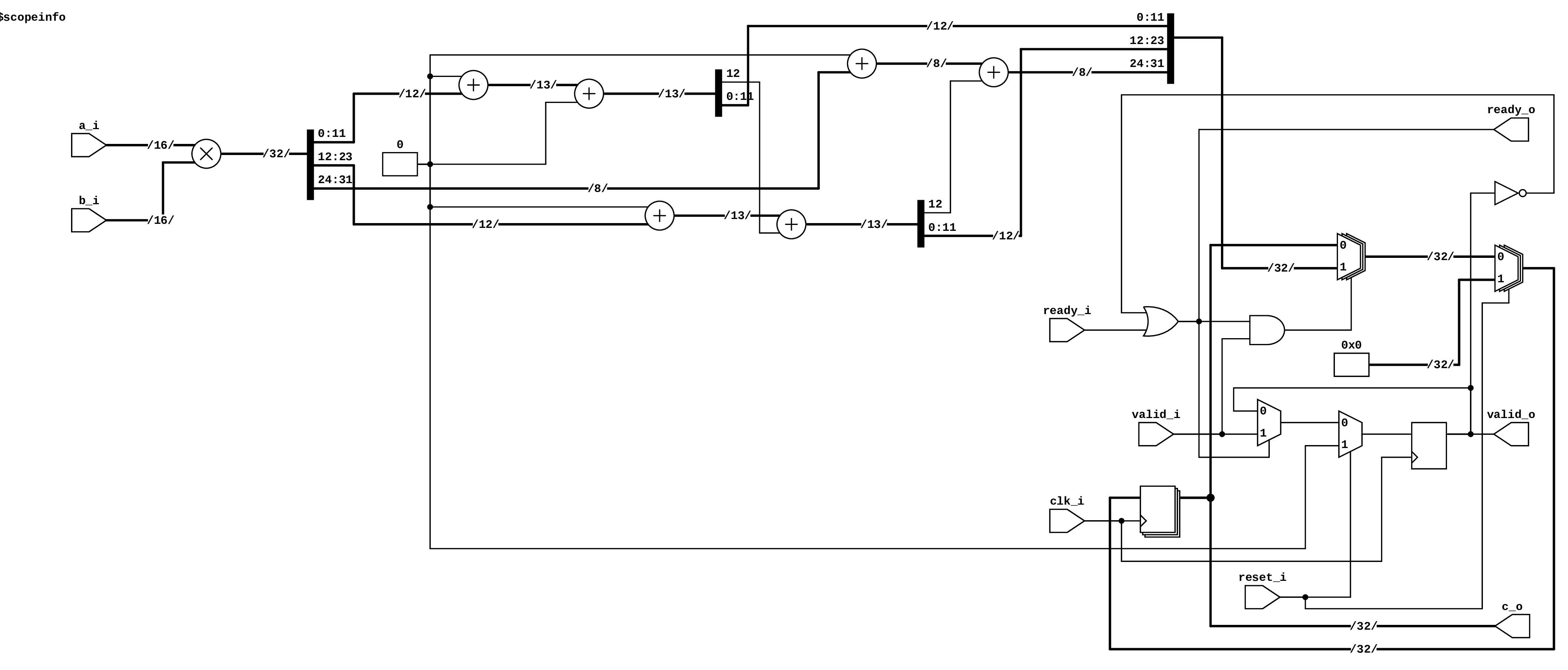
multiplierdesignverification

Multiplier Design Verification

digitallogicverification

Digital Logic Verification

temperaturecompensatedultrasonicsensor

Temperature Compensated Ultrasonic Sensor

dsparithmeticdesign

DSP Arithmetic Design

delaybufferdesign

Delay Buffer Design

synchronousfifodesign

Synchronous FIFO Design

opticalmorsecodecommunicationsystem

Optical Morse Code Communication System

fpgasinusoidgenerator

FPGA Sinusoid Generator

elasticpipeline

Elastic Pipeline

asynchronousmemorydesign

Asynchronous Memory Design

lutlogicdesign

LUT Logic Design

esp32bluetoothmouse

ESP32 Bluetooth Mouse

konamicompassstatemachines

Konami Compass State Machines

behavioralverilog

Behavioral Verilog

esp32humiditytemperature

ESP32 Humidity Temperature Sensor Display

structuralverilog

Structural Verilog

riscvembeddedsensor

RISC-V Embedded Sensor

fpgasortinghardwareaccelerator

FPGA Sorting Hardware Accelerator

pwmcontrollerpcb

PWM Controller PCB

realtimesystemmonitor

Real Time System Monitor

signalprocessinganalysis

Signal Processing Analysis

sublethousingmarketplacewebplatform

Sublet Housing Marketplace Web Platform

breadboardedgetriggereddflipflop

Breadboard Edge-Triggered D Flip-Flop

vgaplatformergameenginepic

VGA Platformer Game Engine

twoplayersequentialcircuitquickaddgamepic

Two-Player Sequential Circuit Quick Add Game

finitestatemachinequickaddgamepic

Finite State Machine Quick Add Game

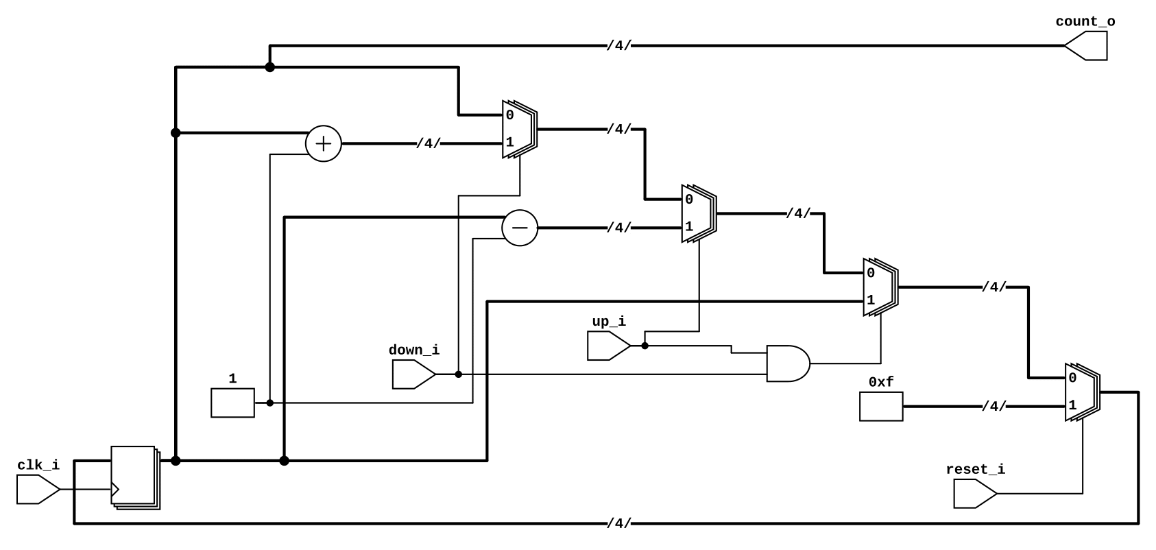
16bitloadablecounterpic

16-Bit Loadable Counter

verilogsignchangerpic

Verilog Sign Changer

fpgasevensegmentdisplaydriverpic

FPGA Seven Segment Display Driver

multithreadedhttpserverpic

Multi-Threaded HTTP Server

ece101lab4pic

RC Filter Analysis and Bode Plot Characterization

ece101lab3pic 10

Transient Response Analysis of RC & RL Circuits

ece101lab2pic 11

Proving Thevenin, Norton, and Maximum Power Transfer Theorems

ece101lab1pic

Proving Kirchhoff’s Voltage and Current Laws